2024-07-03
3651
NOPAYÇ®°ü Í¿±ØÎÄ
¡¾ÌáÒª¡¿´Ó´«¸ÐÆ÷µÀÀí£¬´«¸ÐÆ÷ÀûÓã¬ÏÖʵ¼ì²âÊý¾ÝÈý·½Ã棬dzÎöʯӢ¾§Ìåʽ³Æ³Á´«¸ÐÆ÷ÊÇ·ñºÏÓÃÏÖÐгƳÁ´«¸ÐÆ÷Èä±ä²âÊÔÖ¸±ê¡£
¡¾¹Ø¼ü´Ê¡¿Ê¯Ó¢¾§Ìå´«¸ÐÆ÷£»¶¯Ì¬³Æ³Á£»Èä±ä»úÄܼì²â
¡¾Ãû´ÊÚ¹ÊÍ¡¿
l ¶¯Ì¬³Æ³Á£ºÍ¨¹ýÕÉÁ¿ºÍ·ÖÎöÂÖÌ¥¶¯Ì¬Á¦²âËãÒ»Á¾»î¶¯ÖеijµÁ¾µÄ×ܳÁºÍ²¿ÃųÁÁ¿µÄ¹ý³Ì¡£
l ²¿ÃųƳÁ:²»ÆëÈ«³ÐÔØÔØºÉµÄÈ«ÊýÁ¦£¬Í¨¹ýÍÆËã»ñÈ¡ÔØºÉ³ÁÁ¿µÄ·½Ê½¡£
l »úµçñîºÏϵÊý£ºÑ¹µçÌåͨ¹ýѹµçЧӦת»¯µÄÄÜÁ¿¶ÔÊäÈëÓÚѹµçÌåµÄ×ÜÄÜÁ¿µÄ±ÈÖµ£¬±ê־ѹµçÌ彫»úеÄÜÓëµçÄÜÏ໥ת»»Ê±µÄЧÄÜ¡£
l Èä±ä£ºÔÚÔØºÉ²»±ä£¬ËùÓл·¾³ºÍÆäËû±äÁ¿Ò²Î¬³Ö²»±äµÄǰÌáÏ£¬³Æ³Á´«¸ÐÆ÷Êä³öËæ¹¦·ò²úÉúµÄ±ä¶¯¡£
ÒýÑÔ
Ëæ×ÅÔËÊ乤ҵ³ö²ú¼°´«¸ÐÆ÷¼¼ÊõµÄ²»ÐÝ·¢Õ¹£¬³Æ³Á´«¸ÐÆ÷²úÆ·ÈÕÒæ·á˶£¬²¢ÔÚ¼ÆÁ¿ÏµÍ³ÄÚ²»ÐݲûÑïÆäÓÅÊÆºÍ×÷Óã¬×ÜÌå·ÖΪÁ½´óϵͳ£ºÓ¦±äʽºÍѹµçʽ¡£¶ÔÓÚÓ¦±äʽ³Æ³ÁÉ豸À´ËµÈä±äÊÇÓɵ¯ÐÔÌå²úÉúµÄÕýÈä±äºÍÓ¦±äƬ£¬Ó¦±ä½º²úÉúµÄ¸ºÈä±ä×ÛºÏÓ°Ïì¶øÐγɡ£Æ¾¾ÝÏÖÐгƳÁ´«¸ÐÆ÷¹ú¶È³ß¶ÈGB/T7551Èä±äÊÇÅж¨È«Ôغɾ²Ì¬´«¸ÐÆ÷Ò»¶Î¹¦·òÄÚ£¨Í¨³£Îª30·ÖÖÓ£©²»±äÐԺ;«¶ÈµÄ³ÁÒªÖ¸±ê¡£Ê¯Ó¢¾§Ì峯³Á´«¸ÐÆ÷×÷ΪһÖÖÒÔ²¿ÃųƳÁ£¬¶¯Ì¬³Æ³ÁΪÀûÓó¡¾°µÄѹµçʽ´«¸ÐÆ÷£»±¾ÎÄdz´Ó´«¸ÐÆ÷µÀÀí£¬´«¸ÐÆ÷ÀûÓã¬ÏÖʵ¼ì²âÊý¾ÝÈý·½Ã棬·ÖÎöÒÔʯӢ¾§Ìåʽ³Æ³Á´«¸ÐÆ÷ÊÇ·ñºÏÓÃÏÖÐгƳÁ´«¸ÐÆ÷Èä±ä²âÊÔÖ¸±ê¡£
Èä±ä²úÉúµÄÔÒò
´«Í³Ó¦±äʽ´«¸ÐÆ÷µÄ»ù´¡µÀÀíÊǽ«Ó¦±äÕ¤¼Æ£¨Í¨³£Ñ¡Ôñ¿µÍºÏ½ð£©Õ³ÌùÔÚµ¯ÐÔÌ壨ͨ³£Ñ¡È¡ºÏ½ð¸Ö»ò²»Ðâ¸Ö£©£¬ÒÀÕÕÖùʽ»òÇÅʽ½á¹¹Í¨¹ý¼ì²âÊÜÁ¦Ôì³ÉµÄÐα䣬½ø¶øÒýÆðÓ¦±äƬ×èÖµ±ä¶¯¡£²úÉúÈä±äµÄÖØÒªÔÓÉÓÚ1.µ¯ÐÔÌåÒò×ÊÁÏÄÚÓ¦Á¦´øÀ´µÄÖ͵¯Ð§Ó¦2.Ãô¸ÐÓ¦±äÕ¤¼Æ×ÊÁÏ×÷ΪһÖÖ±¡Ä¤µç×èÕ¤×ÔÉí´æÔÚÏàÓ¦µÄÈä±ä¸öÐÔ3.Õ³ÌùÓ¦±ä½º×ÊÁϺͳö²ú¹¤ÒÕÔì³ÉµÄÈä±ä£¬ÏÖʵ²âÊÔÏÔʾѡÓóÉÐͱ¡Ä¤×÷Ϊ»ùµ×µÄÓ¦±ä¼Æ»ùµ×ÿ±¡ 2¦Ìm£¬Èä±äԼĪÍù¸ºÏò±ä¶¯ 0.02%£¬¸Ç²ãºñ¶È±¡ 5¦Ìm~10¦Ìm£¬Èä±äԼĪÍù¸ºÏò±ä¶¯0.02%¡£Òò¶ø¶ÔÓÚÓ¦±äʽ´«¸ÐÆ÷À´ËµÆäÈä±ä¸öÐÔÊÇÖ±½ÓÅжϴ«¸ÐÆ÷»úÄÜÇúÖ±µÄÖ÷Ìâ²ÎÊý£¬Í¬Ê±Ò²ÊÇNOPAYÇ®°ü´«¸ÐÆ÷»úÄܵÄÖ÷Ìâ²âÊÔÖ¸±ê¡£
ʯӢ¾§Ì峯³Á´«¸ÐÆ÷µÀÀí·ÖÎö

ͼ1
ʯӢ¾§Ì峯³Á´«¸ÐÆ÷ÊÇÒÔʯӢ¾§ÌåΪÃô¸ÐÔª¼þµÄ¶¯Ì¬³Æ³Á´«¸ÐÆ÷£¬»ú¹ØÈçͼ1Ëùʾ½«¾§Ìå°´¿Ï¶¨·½ÏòÇиî³ÉƬ״£¬°´¿Ï¶¨¹æ¶¨×°ÅäÔÚÂÁºÏ½ð»ù²ÄÄÚÇ»ÀÁ½²àÓÃÈáÐÔÌî³ä×ÊÁϰü¹ü£¬µ×¶Ë¹Ì¶¨ÒÀ¸½Éϱí±í³ÐÔØ²ã¼ì²â´«µ¼Ñ¹Á¦¡£Á¦ÊÇÖ±½Óͨ¹ý¹¤ÐοÕÇ»ÐͲĴ«µ¼µ½Ê¯Ó¢¾§Ìå±í±í¡£Æä´ÎʯӢ¾§Ìå±í±íÓ²¶È¿É¸ß´ïĪÊÏÓ²¶È7.5£¬ÊÇÌìÈ»½çÖÐÓ²¶È½ö´ÎÓÚ×êʯµÄ¾§Ìå²ÄÖÊ£¬Í¨¹ý²¿Ãżì²âºóÔì³ÉµÄ¾§ÌåÐαäÏÕЩΪ0£¬²»´æÔÚÖ͵¯Ð§Ó¦¡£Áí±í³Æ³ÁÀûÓõÄÊÇÆäѹµçЧӦ£º¾§ÌåÊܵ½¹Ì¶¨·½ÏòµÄÁ¦µÄ×÷ÓÃʱ£¬±í±í¼´²úÉúÓëÁ¦³ÊÏßÐÔ±ÈÀýµÄµçºÉ¡££¬²»ÒÀÀµÓÚ¼ì²âÐαäÁ¿½øÐмì²â¡£µ±ÂÁºÏ½ð»ù²Ä¸ßµÍ±í±íÊܵ½Ñ¹Á¦Ê±£¬Á¦´«µ¼µ½Ê¯Ó¢¾§Ìå£¬ÍøÂçÔÚʯӢ¾§Ìå¸ßµÍ±í±í²úÉú´óÓ×Ïà³Æ¡¢·½ÏòÏà·´£¬ÓëÊÜÁ¦³ÊÏßÐԵĵçºÉ¡£µ¥´¿´Ó´«¸ÐÆ÷½Ç¶ÈÀ´Ëµ£¬²úÉúµÄµçºÉÁ¿QÓëËùÓÐѹÁ¦F³Ê±ÈÀýÏßÐÔ¡£Òò¶øÊ¯Ó¢¾§Ì峯³Á´«¸ÐÆ÷´ÓµÀÀíÉÏÀ´Ëµ²¢²»»á²úÉú´ó·ù¶ÈÈä±ä¡£
³¢ÊÔÊý¾Ý·ÖÎö
³¢ÊÔǰÌ᣺¼ìÑéºÏ¸ñµÄʯӢ¾§Ìå´«¸ÐÆ÷£¬µçºÉ·Å´óÆ÷£¬Á¦³ß¶È»ú£»³¢ÊÔ²½Ö裺ÖÃÁãºó£¬ÔÚ´«¸ÐÆ÷ÖÐÐĵØÎ»Ê©¼Ó90%Emax~100%Emax = 20kNµÄÁ¦£¬¼ÓÔØ¹¦·ò200s£¬Ã¿20s¼Í¼һ´Î·Å´óÆ÷Êä³öʾֵ¡£

´«¸ÐÆ÷ÐͺŠ| HL-S-QZ70 |
µçºÉ·Å´óÆ÷ÐͺŠ| HL-A-CH08 |
´«¸ÐÆ÷±àºÅ | 202212055 |
´«¸ÐÆ÷ÄÚ×èÖµ | £¾100G¦¸ |
·Å´óÆ÷ÊäÈëÄÚ×è | £¾10G¦¸ |
´«¸ÐÆ÷³¤¶È | 1750mm |
²âÊÔ»·¾³ÎÂ¶È | 12.3¡æ |
²âÊÔ»·¾³Êª¶È | 38% |
ÔÚÒÔÉϲâÊÔǰÌáÏ£¬Ê¹Óó߶ÈÁ¦Ñ¹Á¦»úÔÚʯӢ´«¸ÐÆ÷ÖÐÐĵØÎ»Ê©¼Ó20kNµÄÁ¦²¢Î¬³Öºã¶¨£¬Ã¿20s¼Í¼һ´ÎµçºÉ·Å´óÆ÷Êä³öʾֵ£¬²¢»æÔì¸öÐÔÇúÏß.
¹¦·ò ÔØºÉÖµ | 0s | 20s | 40s | 60s | 80s | 100s | 120s | 140s | 160s | 180s | 200s |
2kN | 7.47v | 7.37v | 7.12 v | 6.92 v | 6.72 v | 6.53 v | 6.33 v | 6.15 v | 5.95 v | 5.78 v | 5.64 v |
ʯӢ´«¸ÐÆ÷¶Ì¹¦·òµÄÈä±äÌØµãÇúÏߣº

ͨ¹ýÈä±äÇúÏßÄܹ»¿´³ö£¬¸ß×迹µÄÊäÈëµç×è²¢²»ÄÜÆëÈ«×èÖ¹µçºÉµÄй¶£¬Òò¶øÊä³öÐźÅÔڳ߶ÈÁ¦²»±äµÄÇé¿öÏÂÒÔÔ¼0.7%/10sµÄËٶȲ»ÐÝÏ÷¼õ£¬3·ÖÖÓÄÚÏ÷¼õÖÁ³ß¶ÈÊä³öÖµµÄ87%¡£Ô¶³¬ÏÖÐгƳÁ´«¸ÐÆ÷¹ú¶È³ß¶ÈÖÓ×°³õ´Î¶ÁÊýÓëÆäºó30minÄڼͼµÄÈÎÒ»¶ÁÊýÖ»²î£¬Ó¦²»´óÓÚËù¼ÓÔØºÉ×î´óÔÊÐíÎó²î¾ø ¶ÔÖµµÄ0.7±¶¡¹ØâÒ»³ß¶È¡£
Îó²îÔÒò
¼ÈȻʯӢ¾§Ì峯³Á´«¸ÐÆ÷×ÔÉí²»´æÔÚÈä±äµÄ¸öÐÔΪʲôÏÖʵ²âÊÔÁ˾ÖÈç´Ë²îÄØ¡£Ä¿Ç°¼¼ÊõÉϲ¢Ã»ÓÐÄܹ»²»±ä¼ì²â΢Ó×¾²Ì¬µçºÉÁ¿µÄר ÒµÉ豸£¬ÔÚ²âÊÔʱͨ³£µÄ»áʹÓÃרʯӢ¾§Ìå³ÐÔØ-ÐźÅ×éºÏģʽ½øÐвâÊÔ½«µçºÉÁ¿×ª»»ÎªµçѹUoÐźŲ¢·Å´óÊä³ö¼ì²â¡£

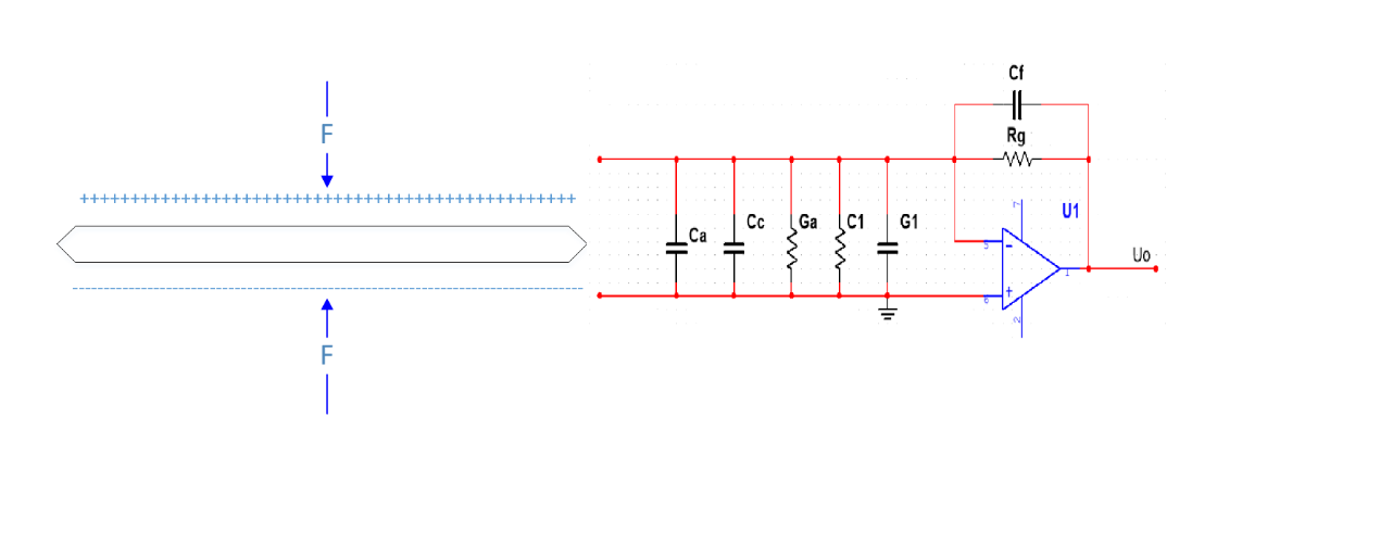
ÈçÉÏͼËùʾ£ºÑ¹µç¾§ÌåÊܵ½Ñ¹Á¦×÷ÓòúÉúµçºÉQ£»Ca ÊÇ´«¸ÐÆ÷¼¶¼äµçÈÝ£¬Qa ÊÇ´Ëʱ³äµ½Ca ÖеĵçºÉ£»Cc ÊÇ´«¸ÐÆ÷´«ÊäµçÀµĵçÈÝ£¬QcÊÇ´Ëʱ³äµ½Cc ÖеĵçºÉ£¬Gc ÊÇÊäÈëµçÀ©µçµ¼£»CiÊǵçºÉ·Å´óÆ÷µÄÊäÈëµçÈÝ£¬Q1 ÊÇ´Ëʱ³äµ½C1 ÖеĵçºÉ£¬G1 ÊÇ·Å´óÆ÷µÄÊäÈëµçµ¼£»Ud ÊÇ´ËʱÔÚÔËËã·Å´óÆ÷·´ÏàÊäÈë¶ËÉϲúÉúµÄ²î¶¯µçѹ£»Cf ÊǵçºÉ·Å´óÆ÷µÄ·´À¡µçÈÝ£¬×÷Óõ½Cf Á½¶ËµÄµçѹÊÇUd ºÍÊä³öµçѹUo µÄ²îÖµ£¬Qf ÊÇ´Ëʱ³äÈëCf µÄµçºÉ£¬Rg ÊÇ·Å´óÆ÷µÄ·´À¡µçµ¼£»ÔËËã·Å´óÆ÷µÄ¿ª»·ÏµÊýΪA£¬ÓÉÓÚµçѹÊÇ·´ÏòÊäÈ룬ËùÒÔ£º Uo=-A¡ÁUd.
¡¡¡¡Òò¶ø×÷ÓÃÔÚCf Á½¶ËµÄµçѹΪ£º
Ucf=Ud-£¨-A¡ÁUd£©=Ud¡Á£¨1+A£©
Èç¹û·´À¡µç×èRgµÄ×èֵΪÎÞÏÞ´óʱ£º
Q=Qa+Qc+Q1+Qf=Ud¡Á£¨Ca+Cc+C1+£¨1+A£©Cf£©
ËùÒÔ
Ud=Q/(Ca+Cc+C1+(1+A)Cf);
Uo=£¨-A*Q£©/£¨Ca+Cc+C1+(1+A)Cf£©;
ÔÚ¡À0.5%¾«¶ÈµÄÁìÓòÄÚÄܹ»ºöÂÔ²¿ÃÅÊýÁ¿¼¶Ó׵IJ¿ÃÅ£¬Äܹ»ÒÔΪ£º
Uo = -Q/Cf;¼´Êä³öµçѹÓëµçºÉ³ÊÏßÐÔ¹ØÏµ£»
ÔÚÏÖʵÉ豸Öв»ÂÛÊÇÊäÈëµçÀ©µçµ¼Gc£¬·Å´óÆ÷µÄÊäÈëµçµ¼G1ÒÔ¼°·´À¡µç×èRg²¢²»ÄÜ×öµ½ÆëÈ«¾øÔµ£¬²¢ÇÒΪ±£ÏÕÁãµã·Ç³ÖÐøÆ¯ÒÆ±ØÐë´æÔÚ·´À¡µç×è¡£Òò¶øÏÖʵ³ÖÐøÊ©¼Ó²»±äÔØºÉ£¬Æð³õµçѹUoÓë²úÉúµçºÉQÓëÊ©¼ÓµÄÁ¦F³Ì±ÈÀýÊä³ö£¬µ«µçºÉÔÚ©µçÁ÷×÷ÓÃϲ»ÐÝй·Å£¬Êä³öµçѹ½«³ÊÖð²½½µÂäÇ÷Ïò¡£ÒÔ·´À¡µç×裾10GÍÆË㣬й·Å¹¦·ò³£Êý¦Ó=RC¡Ö220s£¬ÓëÏÖʵ²âÊÔÁ˾ÖÏà¶ÔÓ¦¡£Òò¶ø²âÊÔÁ˾ֵÄÈä±äÊä³öÎó²îÊÇÓÉÓÚµçºÉ·Å´óÆ÷µç·Ôì³ÉµÄ£¬²¢ÇÒÊDz»³ÉÔ¤·ÀµÄ¡£
ÀûÓó¡¾°·ÖÎö
Èç´«¸ÐÆ÷×°Öò¼¾Ö¸©ÊÓͼËùʾ£¬Ñ¡È¡ÕûÌõ¶àÅŲ¼¾Ö·½Ê½£¬¼´Ò»Ñù¾àÀëµÄ¶à¸ù´«¸ÐÆ÷¹²Í¬¼ì²â£¬¼´±ã³µÂÖ³¤¹¦·òÖÕ³¡µ½µ¥Ò»´«¸ÐÆ÷ÕýÉÏ·½Ê©¼Ó³ÖÐøÔØºÉ£¬ÆäÓà¶àÅÅ´«¸ÐÆ÷ÈÔÄÜÕý³£Êä³ö£¬±£ÏճƳÁÁ˾ֲ»±äÐÔ¡£Æä´Î£¬Ê¯Ó¢Ê½³Æ³Á´«¸ÐÆ÷ÀûÓÃÓÚ¶¯Ì¬Æû³µºâºÏÓÃËÙ¶ÈÁìÓòͨ³£Îª0.5~100km/h¡£ÒÔ»õ³µ½Ï´ó³ß´çÂÖÌ¥8.25R20 XR850ΪÀý£¬Âú¸ººÉµ¥¸öÂÖÌ¥µÄ´¥µØ¿í¶ÈLԼΪ60cm£¬ÒÔ¼ì²âËÙ¶Èvmin = 0.5km/h = 13.9cm/sͨ¹ýÒ»¸ù¿í¶ÈΪ5.5cmµÄ´«¸ÐÆ÷ʱ£¬´«¸ÐÆ÷×î´óÊÜÁ¦¹¦·òt=L/vmin=4.3s¡£Òò¶ø´ÓÀûÓýǶÈ˼¿¼Èä±ä»úÄÜʯӢ¾§Ì峯³Á´«¸ÐÆ÷ÀûÓóÉЧ²¢ÎÞÓ°Ïì¡£
´«¸ÐÆ÷×°Öò¼¾Ö¸©ÊÓͼ
´«¸ÐÆ÷×°Öò¼¾ÔìÊÊÓͼ
½áÂÛ
ʯӢ¾§Ì峯³Á´«¸ÐÆ÷ÓÉÓÚÆäÎÞÈÈÊ͵çЧӦ£¬¹ÌÓÐÆµÂʸߣ¬¶¯Ì¬ÁìÓò¹ã£¬³Á¸´¾«¶È¸ß£¬ÖͺóÓ×£¬ÊÙÃü³¤£¬ÃâÊØ»¤µÄ¸öÐÔ£¬¿í·ºÀûÓÃÓÚ¸÷»õÔ˳µÁ¾¶¯Ì¬³Æ³Á¹æ»®ÖУ¬²¢ÊÕ³ÉÊг¡µÄ¿í·ºÈÏͬ¡£µ«´Óѹµçʽ³Æ³Á´«¸ÐÆ÷µÀÀíÀ´ËµµçºÉµÄÕý¸ºÏàÎüºÍ»îÔ¾¸öÐÔ£¬¾ö¶¨ÁËÎÞ·¨ÎÞËð³Ö¾Ã²»±äµÄ¼ì²â¾²Ì¬µçºÉ£¬¶ø×ª»»±ØÈ»´øÀ´ËðºÄ£»´Óʵ²âÊý¾ÝÒ²Åú×¢20sÒÔÉÏʯӢ¾§Ìå³ÐÔØ-ÐźÅ×éºÏÄ£¿éµÄ¸öÐÔÎÞ·¨Âú×ãÏÖÐÐGB/T 7551³ß¶ÈÈä±äÎó²îÒªÇó£»´ÓÀûÓó¡¾°·ÖÎö£¬¶àÅŲ¼¾ÖµÄ¶¯Ì¬³Æ³ÁÀûÓÃÎÞÐè¶Ô´«¸ÐÆ÷³¤¹¦·òÈä±ä»úÄܽøÐÐÒªÇó£»×ÛÉÏËùÊö£¬ÒÔΪʯӢ¾§Ì峯³Á´«¸ÐÆ÷²¢²»ºÏÓÃÓÚÏÖÐÐÈä±äÖ¸±ê²âÊÔ¡£Òò¶ø±ÊÕß½¨Òé²Î¿¼×î ж©ÕýµÄ¶¯Ì¬¹«Â·³µÁ¾×Ô¶¯ºâÆ÷¹ú¶È³ß¶ÈGB/T 21296.5-2020µÄµÚ5²¿ÃÅ£ºÊ¯Ó¢¾§Ìåʽ£¬¶ÔÓÚʯӢ¾§Ì峯³Á´«¸ÐÆ÷ÒÀÕÕÆäµÀÀí¸öÐÔÕë¶ÔÐԵļì²âÆä·ÇÏßÐÔÎó²î£¬³Á¸´ÐÔÎó²î£¬ºáÏò»îÂç¶ÈÒ»ÖÂÐÔÎó²î£¬¾øÔµ×迹ºÍ¹ýÔØÄÜÁ¦µÈ¡£